КЭО 32_25_514_131 с ЭВ 07_DC_024_22

Характеристики

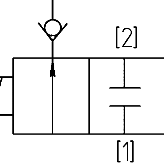
Способ действия:
с разгружаемым золотником
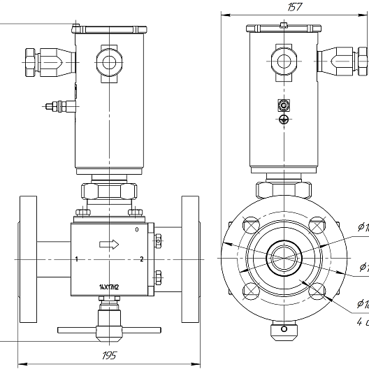
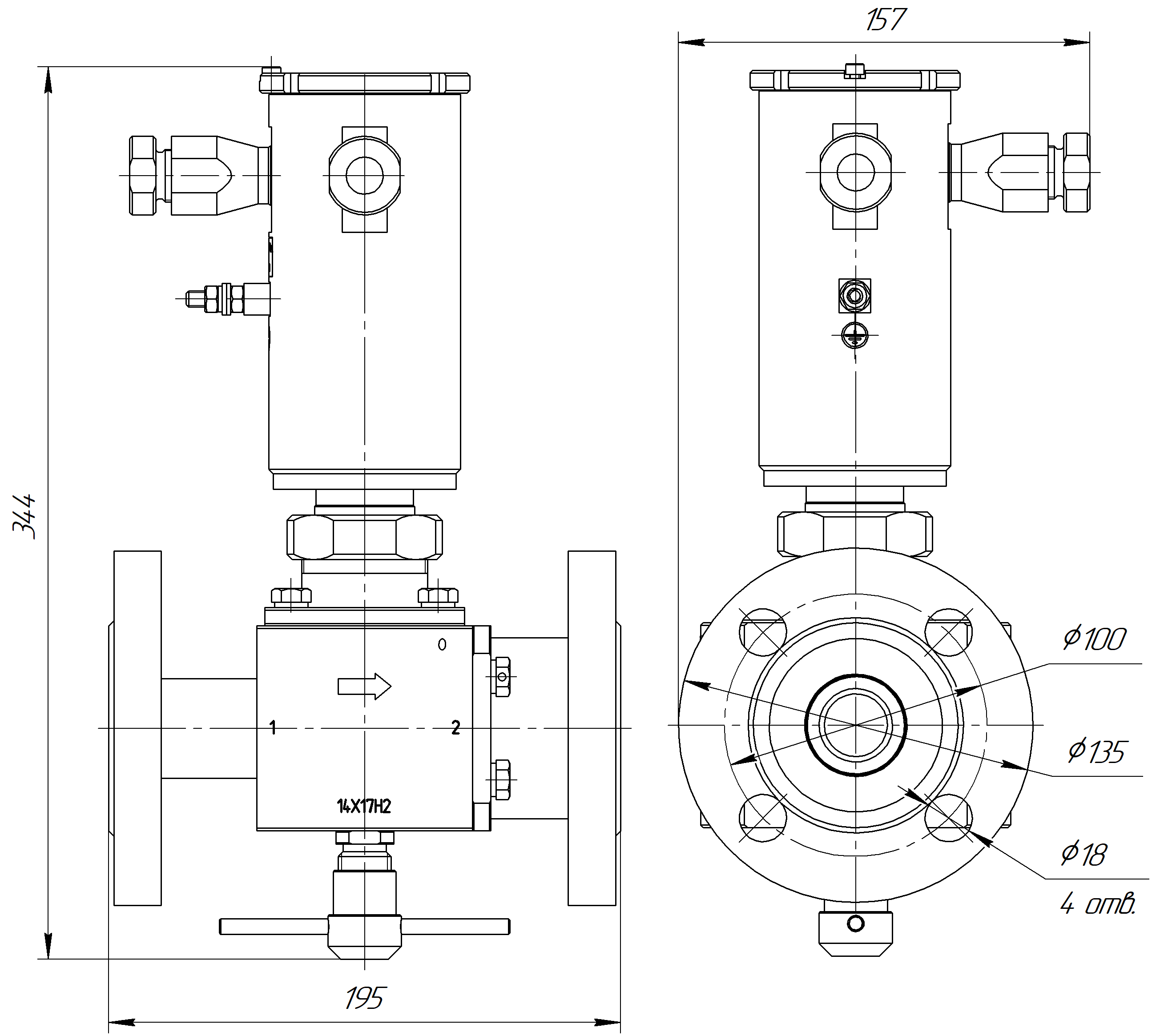
Диаметр номинальный, DN, мм:
32
Давление номинальное, PN, МПа:
2,5
Перепад давления на клапане, обеспечивающий его работоспособность, ΔP, МПа:
0...2,5
Перепад давления в обратном направлении, обеспечивающий герметичность по затвору, МПа :
0...1,2
Присоединение к трубопроводу:
фланцевое
Положение затвора:
нормально закрытый
Герметичность затвора в прямом направлении :
от 0...2,5 МПа, класс А
Герметичность затвора в обратном направлении :
от 0...1,2 МПа, класс А
Климатическое исполнение:
УХЛ2
Диапазон температур окружающей среды, °C:
-60...+60
Диапазон температур рабочей среды, °C:
-40...+150
Напряжение питания, В:
230±10% AC
Потребляемая мощность, в режиме форсирования (не более), Вт:
230
Потребляемая мощность, в режиме удержания, Вт:
10±1
Режим работы, ПВ, %:
100
Габариты, мм:
222 × 157 × 344
Масса, кг:
12±1

Автоматизация розжига
и контроля горения

АСУРиКГ – это программно-технический комплекс, включающий в себя приборы контроля пламени основной и пилотной горелки, отсечную арматуру, устройство дистанционного розжига, локальную панель управления с кнопками и индикацией состояния, а также микропроцессорное устройство с программным обеспечением.
Подробнее

Цифровое моделирование
процессов горения

При реализации проектов импортозамещения и разработки новых горелочных устройств важнейшую роль играет точная геометрия конструкции горелки, где даже незначительные изменения могут оказать существенное влияние на производительность, и что простая универсальная конструкция горелки просто не позволяют добиться оптимальных результатов.

Подробнее